瑞芳公寓法拍

瑞芳公寓法拍|新北市瑞芳區永龍新邨12號3樓

瑞濱國小 邊間陽光三樓 新北市瑞芳區永龍新邨12號3樓
列印
  • 售340萬
    售289萬
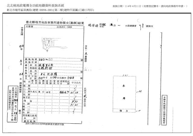
    1. 案號:第二拍115/3/31(二)
    2. 類型:法拍公寓
    3. 總登記坪數:
    4. 每坪單價:
    5. 地址:新北市瑞芳區永龍新邨12號3樓
    1. (煩請告知聯絡人,您是在House-Info房屋網看到廣告,感恩幫忙)
    2. 0986-678-928
    1. 市話:
    2. 公司名稱:
    3. 公司地址:
    瑞濱國小 邊間陽光三樓 新北市瑞芳區永龍新邨12號3樓-QR CODE 我要留言 加LINE好友
物件介紹
詳細資料
銷售狀態
待標中
屋齡
47年
所在樓層
3/3
電梯
沒有
是否凶宅
不是
法拍屋
拍次
2
開標日期
第二拍115/3/31(二)
瀏覽人次
45人次
坪數說明
建物登記總坪數
27.59
主建物
25.19
附屬建物
2.4
土地登記總坪數
11.8
特色描述

新北市瑞芳區法拍屋|永龍新邨法拍|瑞芳公寓法拍|瑞芳一拍法拍|瑞芳低總價法拍|瑞濱國小法拍

瑞芳法拍屋-新北市瑞芳區永龍新邨12號3樓|公寓|點交

房屋類型:公寓
建物所在樓層:3樓/總樓層3樓
屋齡:約47年
房屋格局:依現況

建物登記總坪數:27.58坪
主建物坪數:25.19坪
附屬建物坪數:2.39坪
土地登記坪數:11.79坪

建物結構:RC
主要用途:住家用

地址:新北市瑞芳區永龍新邨12號3樓

生活機能:
近瑞濱國小,步行可達
鄰近台鐵瑞芳車站,交通便利
瑞芳生活圈成熟,基本採買可滿足

【法院筆錄摘要】
● 點交情形:有點交
債務人母親偶爾居住,有水有電,無增改建、無分管車位。
現況屋內天花板及牆壁油漆嚴重剝落,木質隔間腐壞,部分牆壁龜裂及水泥塊剝落,後門損壞,屋內遺留老舊破損家具,拍定後依現況點交。
經查無火災、輻射屋、海砂屋或地震受創紀錄,惟物之瑕疵拍定後無擔保請求權,投標前請自行查明評估。

【拍賣紀錄】
第一拍|115/03/03|底價 340 萬|保證金 68 萬|點交

第二拍|八折降價|底價 272 萬|單價 9.9 萬/坪
第三拍|八折降價|底價 217.6 萬|單價 7.9 萬/坪

代標找林小姐
安心又會標~Anna 幫你買到家!

【投標諮詢|雙人代標】
林小姐 0986-678-928(同 LINE)
黃先生 Pitt 0984-508-898(同 LINE)
👉 https://line.me/ti/p/MJcPvp3nG8

瑞芳拍賣公寓-0
瑞芳拍賣公寓-0
瑞芳拍賣公寓-1
瑞芳拍賣公寓-1
物件留言
請注意,如果您詢問的內容與物件不相符合或是廣告,經過審核,系統將會直接刪除您的發問內容
等待圖示
相似物件
免責聲明:House-Info房屋網平台系統為租用式開放房屋買賣網站建置平台,僅提供會員查詢-新北市,瑞芳區,公寓-等房屋資訊參考,並不涉入任何諮詢、交易。 物件(服務)聯絡人公佈的資訊、文字、照片、圖形、產權、廣告內容、或其他資料若有不實或違法情事,或與客戶聯絡交易過程中若衍生民事或刑事等法律問題,皆與House-Info房屋網站無關,所有商標、文章、名稱等版權,皆歸屬原著作者所有!